Products
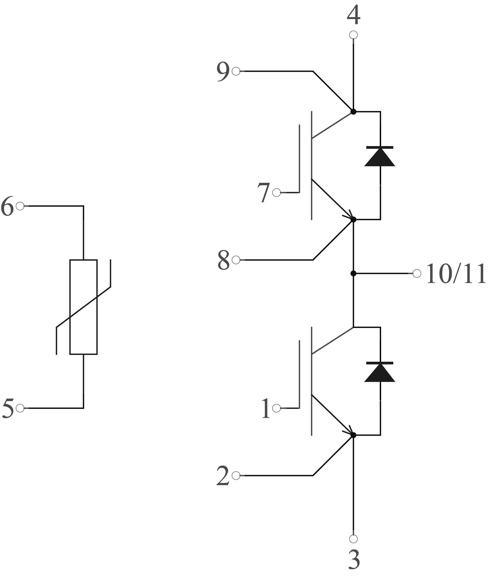
| Device Model | IGBT Module MG300DA120M0 |
| Chip Characteristics | Low loss, fast |
| VCES Voltage (v) | 1200 |
| IC @ Tc=100°C | 300 |
| Eon+Eoff @Tj=25 ℃typ(V) | 2.1 |
| Rth(J-C) (K/W) | 32.08@Rg=10.0Ω |
| Package | EconoDual3 |
| Configuration | Half Bridge |
| Circuit | ![]() |
| N.G (g) | 342.3 |
| Application | Motor Drives,Servo Drives |







