Products
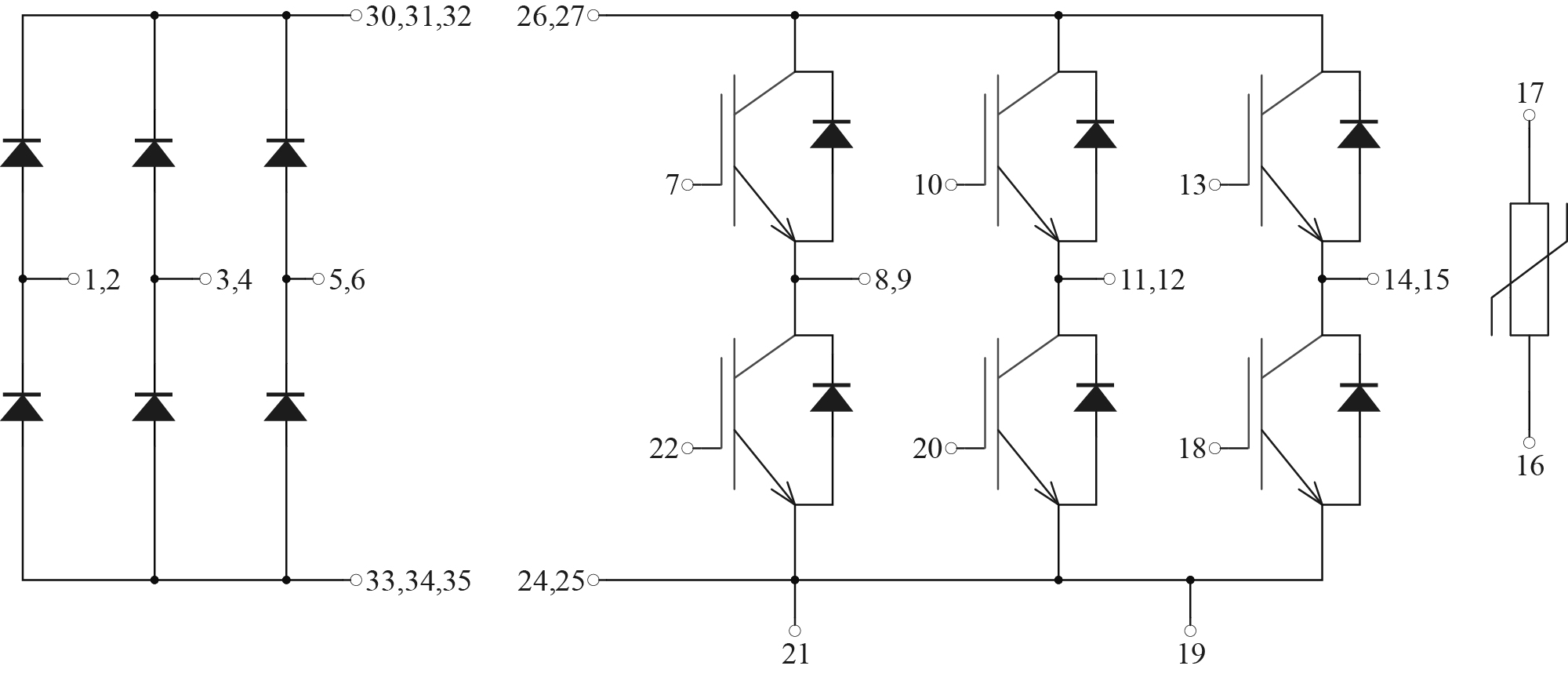
| Device Model | IGBT Module MG100PB120K0 |
| Chip Characteristics | Low loss, fast |
| VCES Voltage (v) | 1200 |
| IC @ Tc=100°C | 100 |
| Eon+Eoff @Tj=25 ℃typ(V) | 2.35 |
| Rth(J-C) (K/W) | 18.17@Rg=6.8Ω |
| Package | EconoPIM3 |
| Configuration | PIM without Brake |
| Circuit | ![]() |
| N.G (g) | 303.4 |
| Application | Motor Drives,Servo Drives |







