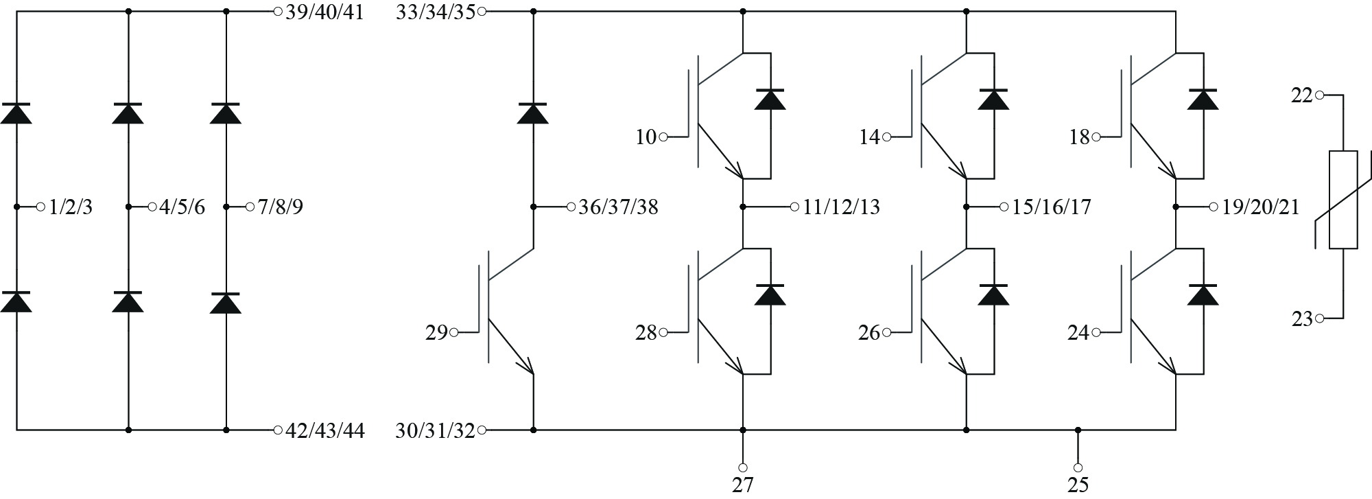
Products
| Device Model | IGBT Module MG150PA120K1 |
| Chip Characteristics | Low loss, fast |
| VCES Voltage (v) | 1200 |
| IC @ Tc=100°C | 150 |
| Eon+Eoff @Tj=25 ℃typ(V) | 2.15 |
| Rth(J-C) (K/W) | 32.08@Rg=6.8Ω |
| Package | EconoPIM3 |
| Configuration | PIM with Brake |
| Circuit | ![]() |
| N.G (g) | 314.8 |
| Application | Motor Drives,Servo Drives |







